
Затвор поворотный с коррозионностойким уплотнением (32с916нж, 32с516нж, 32с316нж, 32нж916нж, 32нж516нж)
32с916нж
Затвор поворотный с коррозионностойким уплотнением (32с916нж, 32с516нж, 32с316нж, 32нж916нж, 32нж516нж)
- Затворы с плавающим кольцом надежны в эксплуатации
- Плавающее коррозионностойкое U-образное кольцо обеспечивает высокую степень герметичности и продлевает срок службы затвора
- Затвор имеет небольшой вес, за счет чего минимизируются нагрузки на трубопровод
от 160 000,00 Р
Производитель:
Газгидроснаб
Поделиться:
Технические характеристики
Производитель: Газгидроснаб
Номинальный диаметр DN: 300;400;500;600;700;800;900;1000;1200;1400
Материал уплотнения: коррозионностойкая сталь
Номинальное давление PN: 16;25
Класс герметичности по ГОСТ 9544-2015: A;B
Тип присоединения: фланцевый;приварной
Тип подачи рабочей среды: односторонний;двусторонний
Материал корпуса: ст.20;ст.09Г2С
Управление: редуктор;электропривод
Материал запорного органа: ст.20;ст.09Г2С;коррозионностойкая сталь
Рабочая среда: вода;нефтепродукты
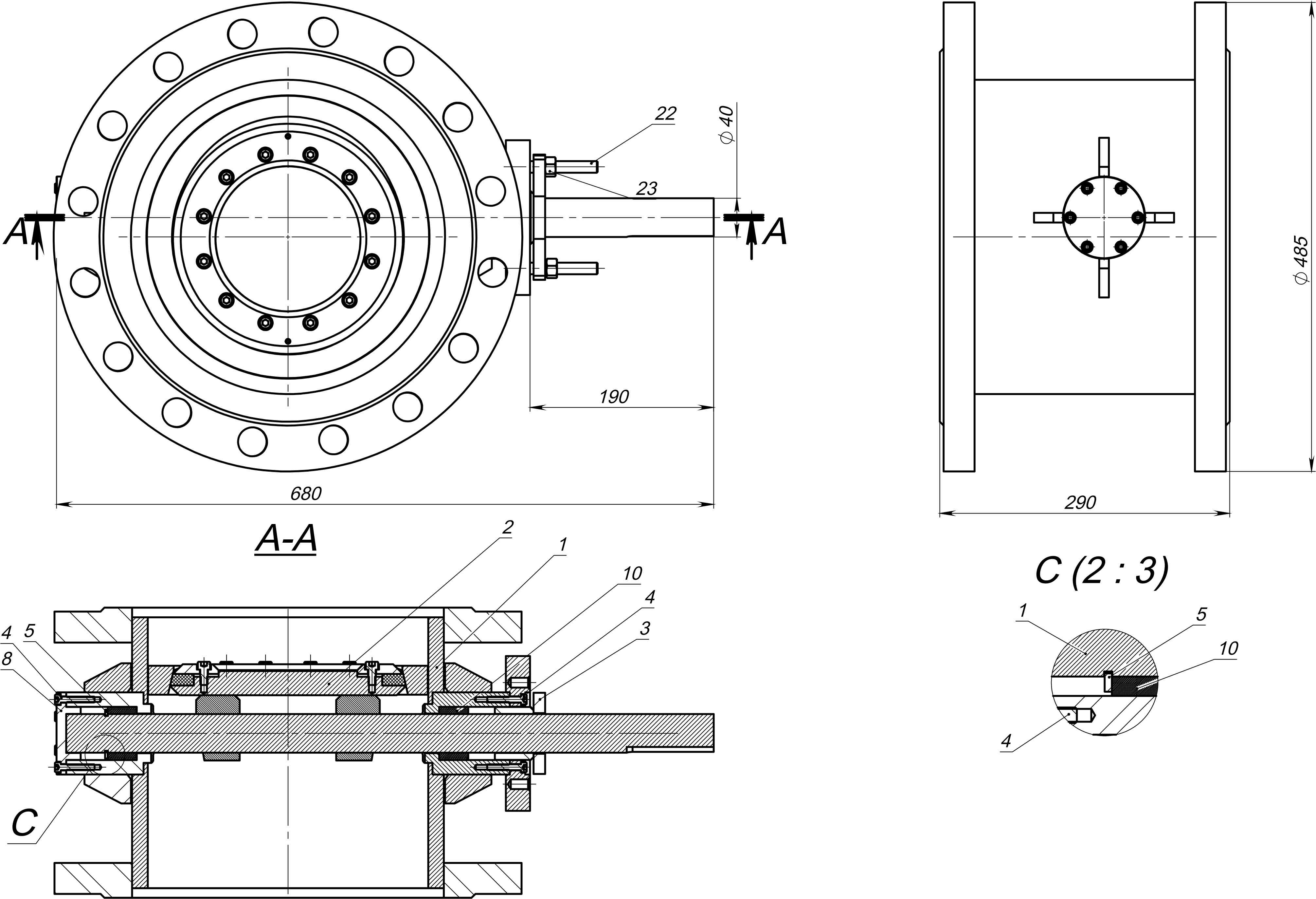
Габаритные размеры
Условное обозначение Затворов поворотных дисковых
ЗПД. | Х. | Х. | ХХХ. | ХХ. |
---|---|---|---|---|
Тип уплотнения затвора | ||||
Ламельное | Л | |||
Плавающее кольцо | ПК | |||
Исполнение по присоединению к трубопроводу | ||||
Фланцевое | Ф | |||
Приварное | П | |||
Номинальный диаметр | ||||
DN | 300-2000 | |||
Номинальное давление | ||||
PN | 10-25 |
Схема трехэксцентрикового затвора
Материалы основных деталей затвора с металлическим уплотнением
№ | Наименование детали | Материал | № | Наименование детали | Материал |
1 | Редуктор | Различные материалы | 9 | Штифт | Ст 3 |
2 | Стойка | 09Г2С | 10 | Диск | 12Х18Н10Т |
3 | Втулка | 07Х18Н9Л | 11 | Шток | 20Х13 |
4 | Термовтулка | 12Х18Н10Т | 12 | Болт | Ст 35 |
5 | Втулка | Бронза | 13 | Корпус | 09Г2С |
6 | Седло | 07Х18Н9Л | 14 | Втулка | Бронза |
7 | Уплотнительное кольцо | 12Х18Н10Т+графит | 15 | Подшипник | |
8 | Кольцо | 12Х18Н10Т | 16 | Крышка | 09Г2С |
Габаритные размеры затворов
ЗПД.Л.П.ХХХ.16 | ЗПД.Л.Ф.ХХХ.16 | ||||||||||||||||
Наименование | DN | D | D1 | L | H | Посадка | Наименование | DN | D | D1 | D2 | d | n.отв | L | H | Посадка | |
ЗПД.Л.П.200.16 | 200 | 219 | 183 | 230 | 215 | F12 | ЗПД.Л.Ф.200.16 | 200 | 335 | 295 | 268 | 22 | 12 | 250 | 215 | F12 | |
ЗПД.Л.П.250.16 | 250 | 273 | 237 | 250 | 247 | F13 | ЗПД.Л.Ф.250.16 | 250 | 405 | 355 | 320 | 26 | 12 | 270 | 247 | F12 | |
ЗПД.Л.П.300.16 | 300 | 325 | 289 | 270 | 288 | F16 | ЗПД.Л.Ф.300.16 | 300 | 460 | 410 | 370 | 26 | 12 | 290 | 288 | F16 | |
ЗПД.Л.П.350.16 | 350 | 377 | 337 | 290 | 333 | F16 | ЗПД.Л.Ф.350.16 | 350 | 520 | 470 | 430 | 26 | 16 | 310 | 333 | F16 | |
ЗПД.Л.П.400.16 | 400 | 426 | 390 | 310 | 359 | F16 | ЗПД.Л.Ф.400.16 | 400 | 580 | 525 | 482 | 30 | 16 | 340 | 359 | F16 | |
ЗПД.Л.П.500.16 | 500 | 530 | 490 | 350 | 444 | F25 | ЗПД.Л.Ф.500.16 | 500 | 710 | 650 | 585 | 33 | 20 | 380 | 444 | F25 | |
ЗПД.Л.П.600.16 | 600 | 630 | 590 | 390 | 521 | F25 | ЗПД.Л.Ф.600.16 | 600 | 840 | 770 | 685 | 39 | 20 | 420 | 521 | F25 | |
ЗПД.Л.П.700.16 | 700 | 720 | 680 | 430 | 586 | F30 | ЗПД.Л.Ф.700.16 | 700 | 910 | 840 | 800 | 39 | 24 | 460 | 586 | F30 | |
ЗПД.Л.П.800.16 | 800 | 820 | 780 | 470 | 659 | F35 | ЗПД.Л.Ф.800.16 | 800 | 1020 | 950 | 905 | 39 | 24 | 500 | 659 | F35 | |
ЗПД.Л.П.900.16 | 900 | 920 | 880 | 510 | 720 | F35 | ЗПД.Л.Ф.900.16 | 900 | 1120 | 1050 | 1005 | 39 | 28 | 540 | 720 | F35 | |
ЗПД.Л.П.1000.16 | 1000 | 1020 | 980 | 550 | 780 | F35 | ЗПД.Л.Ф.1000.16 | 1000 | 1255 | 1170 | 1110 | 45 | 28 | 580 | 780 | F35 | |
ЗПД.Л.П.1200.16 | 1200 | 1220 | 1180 | 630 | 889 | F40 | ЗПД.Л.Ф.1200.16 | 1200 | 1485 | 1390 | 1330 | 48 | 32 | 660 | 889 | F22 | |
ЗПД.Л.П.1400.16 | 1400 | 1420 | 1380 | 710 | 1000 | ЗПД.Л.Ф.1400.16 | 1400 | 1685 | 1590 | 1530 | 48 | 36 | 1000 | ||||
ЗПД.Л.П.1600.16 | 1600 | 1620 | 1580 | 790 | ЗПД.Л.Ф.1600.16 | 1600 | 1930 | 1820 | 1750 | 62 | 40 |
Особенности конструкции
- Трехэксцентриковые поворотные затворы предназначены для промышленного применения, требующего исключительную безопасность и высокую надежность системы при относительной простоте обслуживания.
- Основная область применения - тепловая энергетика, нефтехимическая и нефтеперерабатывающая промышленность. Тройной эксцентриситет значительно снижает показатель трения в точках контакта диска и седла, обеспечивая долговечность и увеличенный рабочий ресурс дискового затвора;
- Поскольку трение между диском и седлом ничтожно мало, требуемый крутящий момент для управления затвором мал;
- Отсутствует деформация уплотнения.
Уплотнение затвора ламельное ("сэндвич", металлографит). Серия PN10
от 145 000,00 Р
Уплотнение затвора ламельное ("сэндвич", металлографит). Серия PN16
от 145 000,00 Р
Уплотнение затвора ламельное ("сэндвич", металлографит). Серия PN25
от 150 000,00 Р
Уплотнение затвора EPDM/PTFE/ Серия PN 10
от 65 000,00 Р
Уплотнение затвора EPDM/PTFE/ Серия PN 16
от 67 000,00 Р
Уплотнение затвора EPDM/PTFE/ Серия PN 25
от 70 000,00 Р